



| 型號 CODE type | ODC01 | ODC02 | ODC03 | ODC04 | ODC05 | ODC06 | |
| 外型尺寸 Dimension mm | |||||||
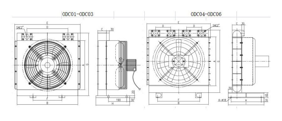
| A | mm | 390 | 490 | 590 | 750 | 850 | 1000 |
| B | mm | 490 | 610 | 727 | 920 | 1035 | 1190 |
| C | mm | 80 | 90 | 100 | 113 | 125 | 140 |
| D | mm | 290 | 310 | 350 | 300 | 345 | 400 |
| E | mm | 540 | 660 | 777 | 970 | 1085 | 1240 |
| F | mm | 290 | 410 | 527 | 620 | 735 | 890 |
| G | mm | 530 | 630 | 735 | 900 | 1000 | 1160 |
| H | mm | 340 | 350 | 360 | 380 | 390 | 410 |
| I | mm | 450 | 460 | 480 | |||
|
換熱功率 Power |
kw | 12~15 | 21~26 | 33~40 | 56~70 | 78~95 | 110~135 |
|
油流量 oil flow |
L/min | 50~150 | 80~200 | 100~250 | 150~400 | 200~450 | 250~550 |
|
入口油溫 oil inlet Temp[℃] |
℃ | 70 | 70 | 70 | 70 | 70 | 70 |
|
通道容積 Volume |
L | 6.12 | 9.47 | 14.3 | 26.4 | 33.2 | 48.9 |
|
冷卻風量 cooling air flow |
m³/h | 3600 | 5700 | 8400 | 13000 | 17000 | 22200 |
| 風扇直徑 fan diametre | mm | 350 | 450 | 550 | 690 | 750 | 900 |
|
電機電壓 Motor voltage |
v | 220/380 | 220/380 | 220/380 | 液壓馬達 | 液壓馬達 | 液壓馬達 |
|
最大工作壓力 Max.working pressure |
bar | 20 | 20 | 20 | 20 | 20 | 20 |
|
環境溫度 environment Temp |
℃ | 35 | 35 | 35 | 35 | 35 | 35 |
| 應用范圍 | 各種液壓油、潤滑油、變矩油、燃油的冷卻(計算參數按46號液壓油計算) | ||||||


| oil flow-L/min | 50 | 80 | 100 | 150 | 200 | 250 | 300 | 350 | 400 | 450 | 500 | 550 | |
| heat rejection-KW | ODC01 | 12.0 | 13.2 | 13.9 | 15.0 | ||||||||
| ODC02 | 21.5 | 22.5 | 24.6 | 26.0 | |||||||||
| ODC03 | 33.2 | 36.3 | 38.8 | 40.0 | |||||||||
| ODC04 | 56.0 | 60.1 | 62.8 | 65.7 | 67.8 | 70.0 | |||||||
| ODC05 | 78.4 | 82.9 | 86.3 | 89.5 | 92.2 | 95.0 | |||||||
| ODC06 | 110.5 | 116.2 | 120.7 | 124.1 | 127.6 | 130.8 | 135.0 | ||||||
| oil ΔP-bar | ODC01 | 0.294 | 0.538 | 0.720 | 1.223 | ||||||||
| ODC02 | 0.432 | 0.574 | 0.968 | 1.408 | |||||||||
| ODC03 | 0.478 | 0.797 | 1.154 | 1.539 | |||||||||
| ODC04 | 0.490 | 0.702 | 0.931 | 1.175 | 1.433 | 1.702 | |||||||
| ODC05 | 0.619 | 0.818 | 1.028 | 1.250 | 1.483 | 1.724 | |||||||
| ODC06 | 0.697 | 0.872 | 1.057 | 1.249 | 1.449 | 1.656 | 1.869 | ||||||